Modelo
SDJA-I
Marca
Xilin
Apilador manual
Compartir este equipo

Ventajas

  • Con horquillas ajustables entre 295/310mm y 930mm.
  • Las horquillas tipo eje ayudan a controlar mejor el ajuste.
  • Mástil de acero de alta calidad y construcción de acero resistente que garantizan rigidez y durabilidad.
  • Las horquillas soldadas ofrecen una solución de bajo costo.
  • Las bombas de alta eficiencia facilitan la operación del control.
  • La función de elevación controlada con el pie y la mano permite al operador trabajar sin tener que realizar movimientos corporales extremos.
  • La rejilla metálica protege al usuario de las cadenas de elevación.
  • Con protector de rueda de seguridad y sistema de freno para garantizar la seguridad durante el funcionamiento.

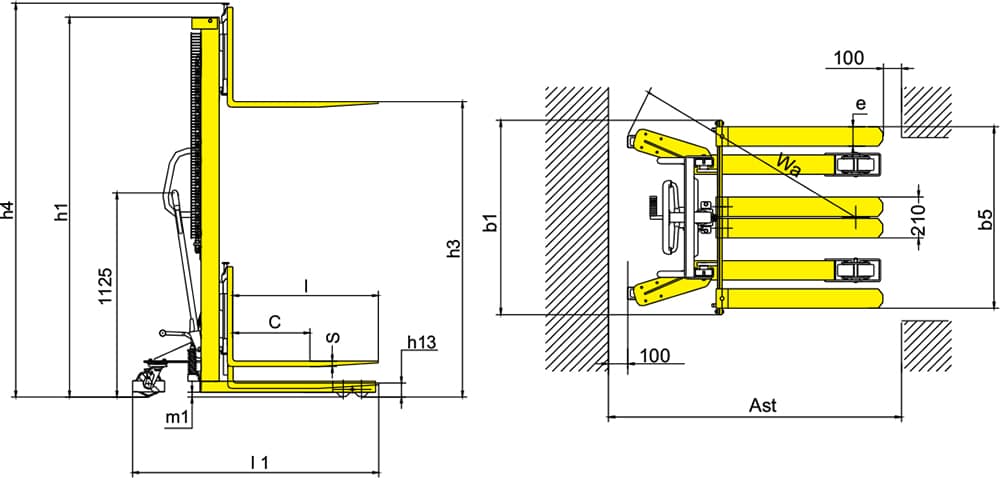
Especificaciones Técnicas

Modelo SDJA1000-I SDJA1500-I
Capacidad de carga / carga nominal Q (kg) 1000 1500
Distancia del centro de carga c (mm) 500 500
Altura de la horquilla, bajada h13 (mm) 90 90
Altura, mástil bajado h1 (mm) 2090/1840 2090
Altura máxima de elevación h3 (mm) 1600/2500 1600
Altura, mástil extendido h4 (mm) 2090/2925 2090
Longitud total l1 (mm) 1680 1680
Ancho total b1 (mm) 955 955
Dimensiones de la horquilla s / e / l (mm) 60/142/1070 (1150) 60/154/1070 (1150)
Ancho total de las horquillas b5 (mm) 295 ~ 930 310 ~ 930
Distancia al suelo, cargada, debajo del mástil m1 (mm) 25 25
Ancho de pasillo para palets 1000x1200 transversalmente Ast (mm) 2146 2146
Ancho de pasillo para palets 800x1200 longitudinalmente Ast (mm) 2141 2141
Radio de giro Wa (mm) 1235 1235
Velocidad de elevación, cargada / descargada mm / tiempo 25 21
Velocidad de descenso, cargada / descargada mm / s Control manual Control manual
Peso de servicio kg 250/322 270
Imagen de soporte
¿Interesado en este equipo?

Solicita más información

Contáctanos para obtener más detalles sobre este equipo, solicitar una cotización o agendar una demostración.